
拉線傳感器使用介紹:
拉線位移傳感器可將機械位移量轉換成可計量的、成線性比例的電信號。當被測物體產生位移時,拉動與其相連接的傳感器繩索,繩索帶動傳感器傳動機構與編碼器同步轉動;當位移反向移動時,傳感器內部的自動回旋裝置將自動收回繩索,并在繩索伸收過程中保持其張力不變;從而輸出一個與繩索移動量成正比例的電信號。 傳感器具有獨立自動排線機構,保證拉伸繩自動均勻排線、保證傳感器具有高獨立線性精度和較長的傳感器使用壽命。
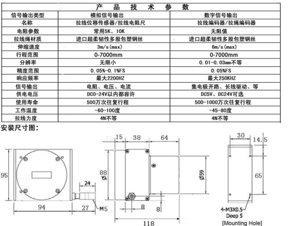
1.結構小巧,安裝空間尺寸小。
2.測量行程長(100~1000mm),精度高(0.3%FS),防護等級IP65。
3.外殼和線輪均經過防腐處理,牽引繩為不銹鋼外敷特氟龍,可以在惡劣的環境下工作。
4.可選輸出方式有:電阻型、電壓型、電流型、增量脈沖型、絕對脈沖型
1、 輸出模式(后綴):R電阻型、V電壓型、A電流型、P1增量脈沖型、P2絕對脈沖型
2、 有效行程:0-100,0~1000mm(含1000mm)
3、 線性精度:(R、V、A型:0.3%~0.2%FS),(P1、P2型:±1脈沖FS,可選)
4、 重復精度:(R、V、A型:0.03%~0.02%FS),(P1、P2型:±1脈沖FS,可選)
5、 供電電壓:R型:~24VDC;V、A型:24VDC;P1、P2型:5~24VDC;
6、 輸出特征:R型:0~10KΩ;V型:0~10VDC;A型:4~20Ma;
P1、P2型:5VDC電壓型,電流型,推挽式,差動式;
7、 遲滯:R、V、A型:無;P1、P2型:10KHz~50KHz;
8、 適合大允許拉伸速度:1000mm/s;
9、 牽引力:Max.700g






|